NB/T 47013.18-2024《承压设备无损检测第18部分:阵列涡流检测》标准,由中国能源行业发布,于2024年5月24日发布,2024年11月24日正式实施。
为严格对标 NB/T 47013.18-2024《承压设备无损检测第18部分:阵列涡流检测》标准要求,全面验证我司阵列涡流设备的性能及精度,我司专业技术团队凭借丰富的实践经验与严谨的科学态度,依托自主研发的MEA系列阵列涡流检测设备,对47013标准试块开展了全方位、系统化的测试工作。
本次测试所采用的试块严格依据NB/T 47013.18-2024标准制作,涵盖多种典型材质,如不锈钢、碳钢等,模拟了横向裂纹、纵向裂纹、平底孔等多种类型缺陷,深度与尺寸参数精确可控,能够全面模拟承压设备在实际工况中可能出现的表面及近表面损伤情况。
技术团队严格遵循 NB/T 47013.18 标准规范,通过设备精准调控检测频率、增益等核心参数,采用线扫查、面扫查等多种模式,对标准试块进行精细化扫查,实时采集并分析记录信号数据,确保测试结果的准确性与可靠性。
测试过程中,团队凭借丰富的检测经验与严谨的专业态度,对试块进行多维度检测分析。现将本次测试成果精心梳理成展示说明,以直观、详实的方式呈现。
47013标准试块测试顺序:
① 材料及零部件检测用对比试块
② 横向分辨力试块
③ 焊接接头阵列涡流检测用对比试块
④ 裂纹深度评估对比试块
⑤ 通道一致性试块
⑥ 纵向分辨力试块

材料及零部件检测用对比试块

NB/T47013标准描述

试块图纸
材料及零部件检测用对比试块-扫查结果:

试块照片

扫查结果

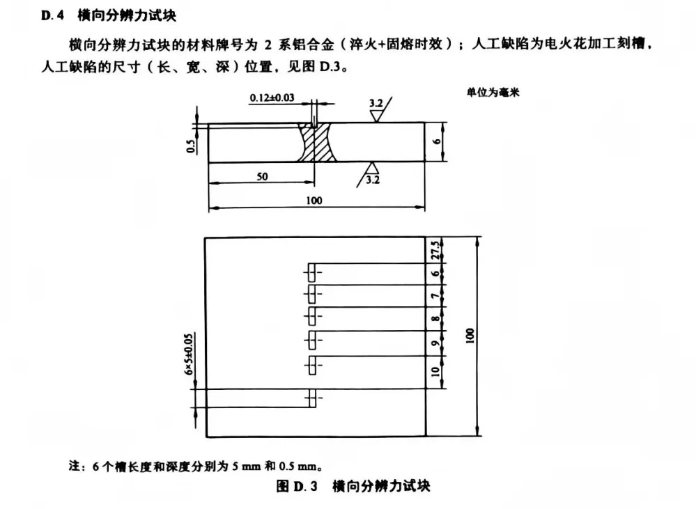
横向分辨力试块

NB/T47013标准描述

试块图纸
横向分辨力试块-扫查结果:

试块照片

扫查结果

焊接接头阵列涡流检测用对比试块

NB/T47013标准描述

试块图纸
焊接接头阵列涡流检测用对比试块-扫查结果:

试块照片


扫查结果

裂纹深度评估对比试块

NB/T47013标准描述

试块图纸
裂纹深度评估对比试块-扫查结果:

试块照片


扫查结果/深度曲线

通道一致性试块

NB/T47013标准描述

试块图纸
通道一致性试块-扫查结果:

试块照片

扫查结果

纵向分辨力试块


NB/T47013标准描述

试块图纸
纵向分辨力试块-扫查结果:

试块照片

扫查结果